Nakrętka kołnierzowa ząbkowana – HS88934

Nakrętka kołnierzowa ząbkowana – HS88934
Pobierz PDF

SKU: Nakrętka kołnierzowa ząbkowana - HS88934 Kategoria:

Nakrętka kołnierzowa ząbkowana – HS88934

Materiał:

  • Stal kl. 8

Powłoka:

  • Bez pokrycia S
  • Ocynk galwaniczny biały ZI
  • Ocynk płatkowy flZnnc – 480h-L

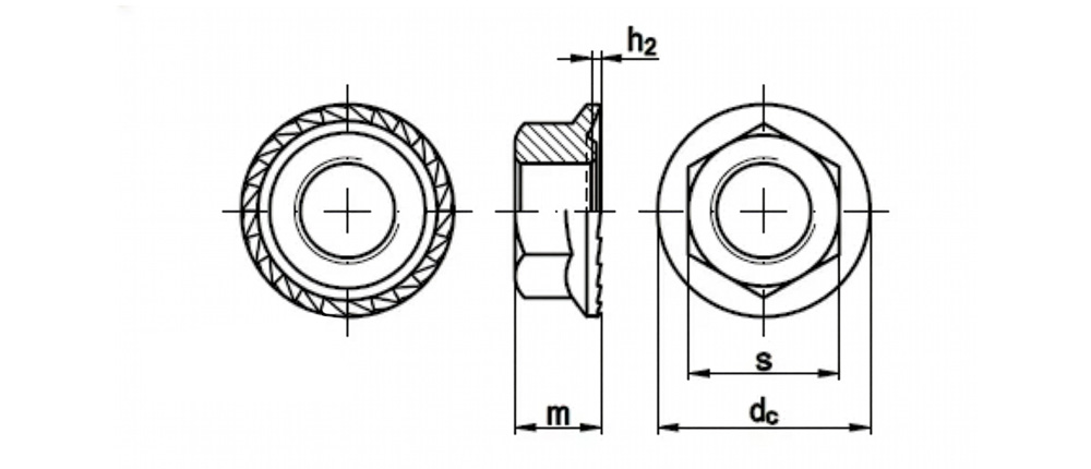
Schemat

Nakrętka kołnierzowa ząbkowana - HS88934

 

Wymiary

Gwint M5 M6 M8 M10 M12 M16
dc 11.2 14.25 18.25 21 24 31
m 4.3 5.5 7 7.9 8.7 11.2
h2 min. 0.15 0.17 0.2 0.25 0.25 0.28
Ilość zęb. 24 24 24 24 24 24

Pobierz dane techniczne

Pobierz PDF

    Forma katalogu (wymagane)

    Zakres danych technicznych z katalogu (wymagane)

    Imię i nazwisko (wymagane)

    Nazwa firmy

    Adres email (wymagane)

    Telefon (wymagane)

    Treść wiadomości