Nakrętki do zgrzewania Typ T – Forma B

Nakrętki do zgrzewania Typ T – Forma B
Pobierz PDF

SKU: Nakrętki do zgrzewania Typ T - Forma B Kategoria:

Nakrętki do zgrzewania Typ T – Forma B

Materiał:

  • Stal
  • Stal nierdzewna A2

Pokrycie:

  • Bez pokrycia S

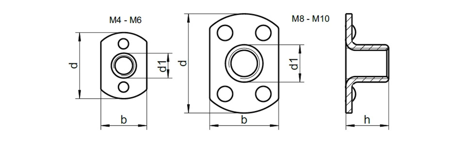
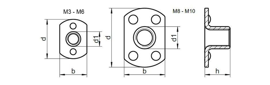
Schemat

 

 

Wymiary

gwint d1 d h b
M3 17 6,0 9
M3,5 4.1 17 5,0 9
M4 4.9 17 6,0 9
M5 6.1 19 7,5 11
M6 7.0 19 7,5 11
M6 7.5 22 8,5 14
M8 9.0 22 8,5 14
M8 9.7 26 11,0 18
M10 11.5 26 10,5 18

Pobierz dane techniczne

Pobierz PDF

    Forma katalogu (wymagane)

    Zakres danych technicznych z katalogu (wymagane)

    Imię i nazwisko (wymagane)

    Nazwa firmy

    Adres email (wymagane)

    Telefon (wymagane)

    Treść wiadomości