Śruba imbusowa z kołnierzem ząbkowanym typu RIPP – HS88912

Śruba imbusowa z kołnierzem ząbkowanym typu RIPP – HS88912
Pobierz PDF

SKU: Śruba imbusowa z kołnierzem ząbkowanym typu RIPP - HS88912 Kategoria:

Śruba imbusowa z kołnierzem ząbkowanym typu RIPP – HS88912

Materiał:

  • Stal kl 100 (~10.9)

Powłoka:

  • Bez pokrycia S
  • Ocynk galwaniczny biały ZI
  • Ocynk płatkowy flZnnc – 480h-L

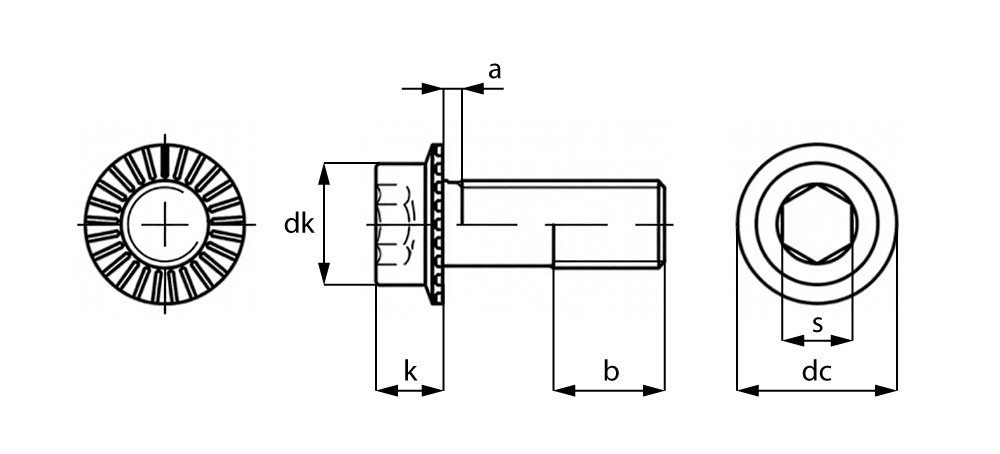
Schemat

Śruba imbusowa z kołnierzem ząbkowanym typu RIPP – HS88912

 

Wymiary

Gwint M5 M6 M8 M10 M12
a max. 2.4 3 3.7 4.5 5.2
b 22 24 28 32 36
dc 11 13.5 17 19.5 22.5
dk 9 11 14 17 19
k 5 6 8 10 12
s 4 5 6 8 10
Ilość zęb. 28 36 48 60 72

Pobierz dane techniczne

Pobierz PDF

    Forma katalogu (wymagane)

    Zakres danych technicznych z katalogu (wymagane)

    Imię i nazwisko (wymagane)

    Nazwa firmy

    Adres email (wymagane)

    Telefon (wymagane)

    Treść wiadomości